FF-130RH/SH
FF-130RH/SH
Precious metal-brush motors  
OUTPUT:0.08W-3.3W (APPROX)
WEIGHT:24g (APPROX)
Typical Applications :
Audio and Visual Equipment> CD Player / Tape Cassette Adapter
Office Automation Equipment> CD/DVD-ROM Drive

MODEL VOLTAGE NO LOAD AT MAXIMUM EFFICIENCY STALL
OPERATING
RANGE
NOMINAL SPEED CURRENT SPEED CURRENT TORQUE OUTPUT TORQUE CURRENT
V r/min A r/min A mN·m g·cm W mN·m g·cm A
FF-130RH 15210 1 - 4 3 5400 0.045 4280 0.17 0.57 5.8 0.26 2.74 28 0.65
FF-130SH 11340 3 - 12 7.5 6100 0.033 4920 0.14 1.06 10.9 0.55 5.49 56 0.57
14230 2.5 - 10.0 3 3600 0.037 2850 0.14 0.74 7.5 0.22 3.53 36 0.53
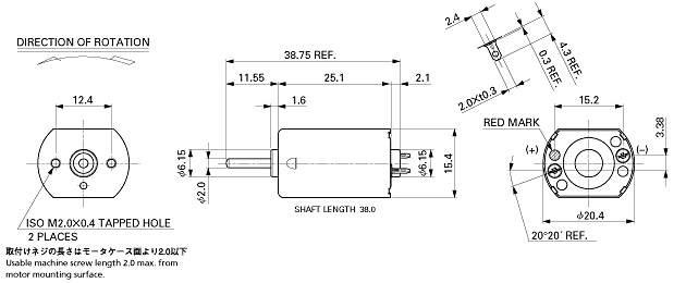
UNIT: MILLIMETERS

FF-130RH-15210 3.0V
chart
FF-130SH-11340 7.5V
chart