RFM series

Main Features:

  • Switching capacity up to 25A.
  • Quick connect and PC board mounting are all available.
  • 1 form A and 1 form C arrangement.
  • Suitable for automation system and automobile auxiliary etc...
Coil Rating (at 20°C)
RATED VOLTAGE (V)
COIL RESISTANCE () (+/- 10%)
RATED POWER (W)
NOMINAL CURRENT (mA) (+/- 10%)
PULL IN VOLTAGE (V)
DROP OUT VOLTAGE (V)
MAX. ALLOWABLE VOLTAGE (V)
DC 6V
32
1.2W
187.5 mA
70% MAX
10% MIN
130%
DC 12V
123
97.5 mA
DC 24V
483
49.6 mA
DC 28V
1920
25.0 mA
Performance (at inital value)
 
1A
1C
Contact Resistance
50m Max. (initial value)
Operate Time
10msec Max.
Release Time
7msec Max.

Dielectric Strength

AC 1000V (1min)
AC 500V (1min)
Insrlation Resistance
100M Min.(DC 500V)
Operating Ambient Temperature
-40oC ~ +85oC
Humidity
35 to 85% RH
Vibration Resistance 10G (10~55Hz) (Dual amplitude:2mm)

Shock Resistance

10G

Life Expectancy

Mechanically
Electrically
10,000,000 ops. Min. (1800 ops./h)
100,000 ops. Min. (1200 ops./h)
Weight
18.5g (about)
  Contact Rating
 
1C
1A
Rated Carrying Current
DC 14V 20A
DC 14V 25A
Max. Allowable Current
25A
Max. Allowable Voltage
DC 75V
Max. Current (continual)
25A
Contact Material
Ag alloy
  Dimensions (Unit: mm)
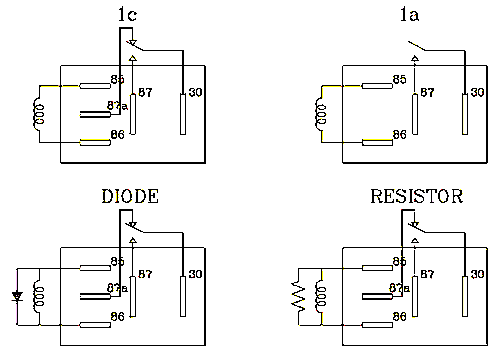
  Wiring Diagrams (Bottom View)

  Reference data